Двухосевой поворотный стол с наклоном от ЧПУ CNCT-320 GSA+
| Модель: | ![]() |
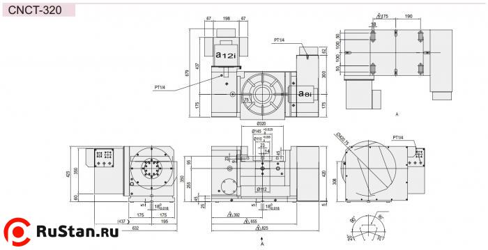
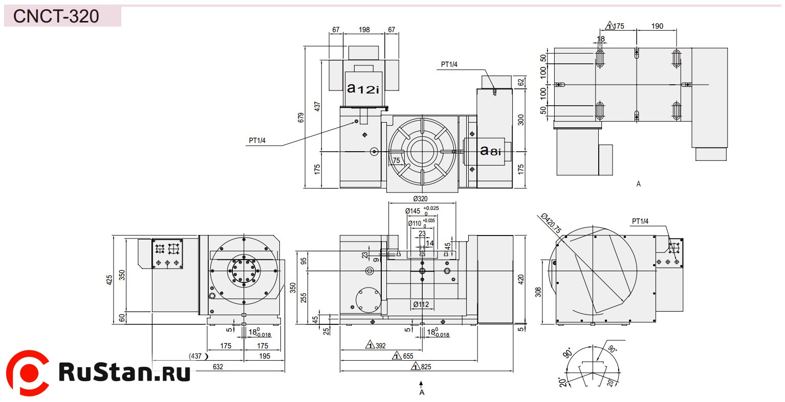
CNCT-320 |
| Производитель: | ![]() |
GSA |
Компактный дизайн позволяет устанавливать на станки с длиной стола от 1 м. Простая установка на традиционные 3-осевые станки. С помощью 1-осевого контроллера GSA+, подключаемого к системе ЧПУ через М-коды для программируемого наклона стола, можно производить 5-осевую обработку без изменения конструкции станка и его электрооборудования.
По требованию заказчика стол может быть оснащен как гидравлическим, так и пневматическим зажимным устройством. Для повышения точности позиционирования может быть установлен фотоэлектрический датчик.
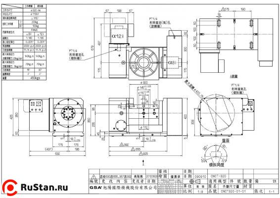
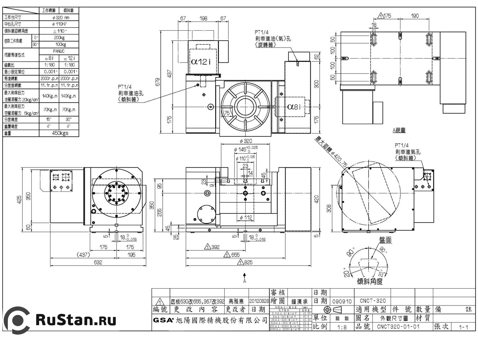
Технические характеристики CNCT-320 | ||
|---|---|---|
| Параметр | Ед. изм. | Значение |
| Диаметр | мм | 320 |
| Высота центра | мм | 255 |
| Общая высота | мм | 425 |
| Вес CNCT-320 нетто (без двигателя) | кг | 505 |
| Центральное отверстие | мм | 110Н7 |
| Ширина Т-пазов | мм | 14Н7 |
| Ширина направляющего сухаря | мм | 18Н7 |
| Поворот и наклон | |||
|---|---|---|---|
| Параметр | Ед. изм. | Поворот | Наклон |
| Сервомотор Meldas | НF-154T | НF-204T | |
| Сервомотор Fanuc | a8i | a12i | |
| Сервомотор Siemens | 1FK7063 | 1FK7083 | |
| Сервомотор Heidenhein | QSY116E | QSY155B | |
| Передаточное число | 1:180 | 1:180 | |
| Угол наклона | град | -110…110 | -110…110 |
| Минимальный угол | град | 0,001 | 0,001 |
| Максимальные обороты | об/мин | 11.1 | 11.1 |
| Усилие пневмозажима | кг*м | 71 | 71 |
| Усилие гидрозажима | кг*м | 142 | 142 |
| Точность позиционирования | 15” | 30” | |
| Повторяемость | с | ±4” | |
| Максимальные нагрузки | |||
|---|---|---|---|
| Параметр | Схема | Ед. изм. | Значение |
| Максимальная вертикальная нагрузка | ![]() | кг | W = 100 |
| Максимальная горизонтальная нагрузка | ![]() | кг | W = 200 |
| Максимальное радиальное усилие | ![]() | кг | F = 1500 |
| Максимальное радиальное усилие | ![]() | кг*м | FxL = 142 |
| Максимальное радиальное усилие | ![]() | кг*м | FxL = 200 |
| Максимальная рабочая инерция | ![]() | кг*см*сек2 | 26 |
Комментарии и вопросы:
Комментариев пока нет, но ваш может быть первым.Разметить комментарий или вопрос
Отзывы о CNCT-320:
Отзывов пока нет, но ваш может быть первым.Обозначение GSA используется исключительно для идентификации товаров соответствующего производителя. ООО "Компания "РуСтан" не является правообладателем товарного знака GSA и не аффилировано с правообладателем.










